Free SHipping - Limited Time!
The DM02
A hard look at a smaller but equally potent next generation high performance middrive


An Introduction
Roll back a few years, when a team of engineers banded together to design a new line of high performance middrive motors designed specifically for the conversion market, targeting the wide array of bike, trike and recumbent designs that are available today. Introduced to the USA market in late 2023, the DM02 and its larger more powerful sibling, the DM01 have become strong players in the conversion market.
The DM02 is available in several power ratings from 250W to 500W - all designed for the global market. We will be focused on the USA spec'd 500W DM02 in this article. Keep in mind that these ratings are what are considered "nominal". They are each capable of handling what is termed "peak ratings" when the motor needs to supply extra bursts of power during acceleration, heavy loads or hills. The 500W DM02 can handle 16A of power at up to 60V. Peak ratings are designed to be used only for short periods, while nominal usage is considered times when the motor is used under ordinary circumstances.
Each DM Middrive has multiple sensor inputs designed for smooth power flow and user convenience and comfort. The DM02 boasts full cadence and torque sensing to create a smooth power flow. Cadence sensing is what comes on most production level hub motor e-bikes. It is basically an on/off system. Start pedaling and the system senses this, and based on the level on the display, the controller sends power to the motor. A torque sensor takes that premise many steps forward. It not only senses that you are pedaling, but it also senses how hard you are pushing down on the pedals. Need to accelerate hard? Just push down hard on the pedals. Hill? The system senses this and sends appropriate levels of power to the rear wheel.
How about a throttle? Don't feel like pedaling, or have a sore knee and just want to get home? The DM02's can be fitted with a throttle to do just that. Try that with a Bosch or Yamaha middrive.
The DM Series of middrives have been designed from the ground up to be able to handle a wide variety of conditions. With an IP65 water resistance rating on all components, the entire drive system can continue to be used regardless of the conditions or weather. Aluminum alloys are used throughout the motor construction for weight control and heat dissipation.
One of the unique features of the DM02 is its advanced programming capability, all built into the T24 Display Interface. Log into the display and you will be presented with main settings, like wheel size and battery voltage. Advanced settings include the ability to fine tune how the motor and controller interact with your style of riding and conditions. All of this is done within the convenient display interface and is locked behind two levels of password restrictions.
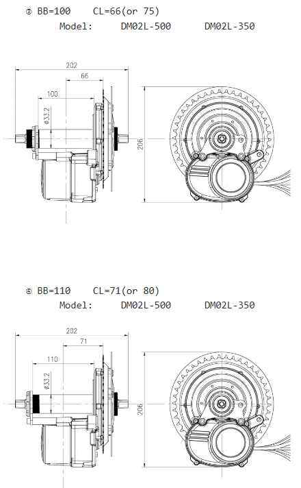
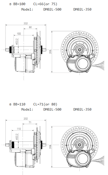
Compatibility was designed into the DM02 with bottom bracket widths of 68mm through 110mm. These motors can fit around 95% of the available frame styles on the market including bikes, trikes and recumbents. A wide range of chainring sizes and offsets are available to accommodate different conditions. Hills, loads, proper cadence, desired speeds, and proper chainline all come to mind when adjusting the teeth or offset on a chainring.
For lighter weight solutions, consider the DM02, weighing in at just 8lb 6oz. This makes the perfect motor for a recumbent, as the lightweight does not disrupt balance. The motors are designed to operate at a quiet 50db rating, and the systems are designed to handle temps from -4 degrees Fahrenheit to 122 degrees Fahrenheit.
The interior design of the motor includes advanced heat sinking to control heat buildup during use, along with a 40.27 to 1 reduction gear ratio for increased efficiency. Double clutches allows effortless pedaling during those rare times when the motor may be off.
Check out some other specifications below to learn more about what this motor can do for you.
DM02 Specifications
Mounting Position - Central
Shell Color - Black
Rated Power - 500w
Rated Voltage - 36V to 60V
Wheel Size - 20’~29′
Max. Speed - 100rpm
Max. Output Torque - 90nm
Speed Ratio - 53
Assist Ratio - 2.5-3
Efficiency - >80%
Sensor Style - Cadense/Torque
Chainring - 42T(or 34T/36T/ 38T/46T/52T)
Noise Level - <50dB
Work Temperature - -20℃-50℃
Motor Weight - 8 lb 6 oz
Waterproof Level - IP65

Rider Performance MidDrives
USA Factory Direct Sales, Service and Support for ToSeven Middrives
Support Email
Updates
support@middrives.com
© 2025 Rider Performance Group
All Rights Reserved
Check out the Systeme.io Marketing SYstem
